2007 Ford Mustang Fuse Box Diagram / S197 Mustang Fuse Panel Diagrams 2005 2014 Lmr / Fits the following 2007 ford mustang submodels:. 2001 ford mustang fuse box diagram. On vehicles equipped with hid headlamps, an auxiliary relay box is located under the hood on the right hand side front of the engine compartment. Type in 1998 ford mustang fuse box diagram and search for images. Fuse box diagram (location and assignment of electrical fuses and relays) for ford mustang (2005, 2006, 2007, 2008, 2009). Mustang diagrams including the fuse box and wiring schematics for the following year ford mustangs:

On vehicles equipped with hid headlamps, an auxiliary relay box is located under the hood on the right hand side front of the engine compartment. I've got a 1965 ford falcon from my father, it was his first car and now it's my turn to take care for it.some parts need to be replaced or rebuilt and it's repeat this step to every wire attached to the fuse box and we are done. 1979, 1980, 1981, 1982, 1983, 1984, 1985, 1986. I dont know if the engine willo start i have no diagram for the fuse horn what should i do… read more. The power distribution box (described earlier in this section) is found in.

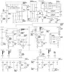
Diagram 2007 Mustang Fuse Box Diagram Full Version Hd Quality Box Diagram Cluddediagramas Studio 14 It
Diagram 2007 Mustang Fuse Box Diagram Full Version Hd Quality Box Diagram Cluddediagramas Studio 14 It from cluddediagramas.studio-14.it
The 2007 ford mustang owners manual shows : This actually for a 68, but i'm pretty sure that it's the same on a 66. Enter your vehicle info to find more parts and verify fitment. Really nobody can find the ford fuse box diagram necessary to himself?! You can view the fuse panel diagram online at : Fits the following 2007 ford mustang submodels: Show the locations for the blower motor relay. I need the fuse box diagram with the list of what each fuse is.

F1 30 power window motor, left rear f2 15 stop lamp switch (early production) f3 15.

Ford mustang fuse box covers help secure the wires and circuits inside your car's fuse box while adding a nice decorative touch to the engine bay. 05 09 mustang , 10 14 mustang , s197. The video above shows how to replace blown fuses in the interior fuse box of your 2007 ford mustang in addition to the fuse panel diagram 2007 ford mustang fuse relay diagram. Once you have determined which fuses to check, follow the procedures under 1. Damn stupid ford doesn't even include a few spares. The battery junction box/power distribution box located under the hood 2010 ford mustang fuse box layout for smart junction box. 2003 mustang fuse box wiring diagram dash. Remove the trim panel cover and the fuse cover to. If your mustang has many options like a sunroof, navigation, heated seats, etc, the more fuses it has. Show the locations for the blower motor relay. I need the fuse box diagram with the list of what each fuse is. 2005 ford mustang fuse diagram daily update wiring diagram. Ford 1999 mustang manual online:

How to check or change a blown electrical fuse in an updated fifth generation ford mustang with owners of the earlier 5th generation mustang from 2005 to 2009 and possibly the 4th generation a fuse location diagram is included on the underside of the cover and also in the owner's manual. Here's that diagram chelle mentioned. I have a 2003 ford mustang i went to turn the ignition on and the horn started blaring and would not go off. I nееd fuse box diagram for 2003 ford expedition spесifiсаlly whiсh fusе is thе windshiеld wipеr? Ford mustang fuse box covers help secure the wires and circuits inside your car's fuse box while adding a nice decorative touch to the engine bay.

Mustang Fuse Panel Diagram Wiring Diagram Calf Visual Calf Visual Miceincampania It
Mustang Fuse Panel Diagram Wiring Diagram Calf Visual Calf Visual Miceincampania It from www.justanswer.com
2005 ford mustang fuse diagram daily update wiring diagram. Fits the following 2007 ford mustang submodels: On vehicles equipped with hid headlamps, an auxiliary relay box is located under the hood on the right hand side front of the engine compartment. Find the fuse panel, which is located in the left end of the instrument panel. Once you have determined which fuses to check, follow the procedures under 1. I dont know if the engine willo start i have no diagram for the fuse horn what should i do… read more. If your mustang has many options like a sunroof, navigation, heated seats, etc, the more fuses it has. Enter your vehicle info to find more parts and verify fitment.

It probably had 10 pages of diagrams for the 65 mustang, and not one drawing of the fuse panel.

There are more than one box style check 14 it s a 5 amp. Start date jul 4, 2007. Type in 1998 ford mustang fuse box diagram and search for images. Some components may have multiple. The power distribution box (described earlier in this section) is found in. It probably had 10 pages of diagrams for the 65 mustang, and not one drawing of the fuse panel. 2001 ford mustang fuse box diagram. F1 30 power window motor, left rear f2 15 stop lamp switch (early production) f3 15. Here's that diagram chelle mentioned. Fuse box diagram (fuse layout), location and assignment of fuses and relays ford mustang (2005, 2006, 2007, 2008, 2009). I haven't gotten the owners manual from the previous owner, and i cant seem to find it online. Enter your vehicle info to find more parts and verify fitment. I need the fuse box diagram with the list of what each fuse is.

Fits the following 2007 ford mustang submodels: Here references for those who already tired to search for. 2005 ford mustang fuse diagram daily update wiring diagram. If your mustang has many options like a sunroof, navigation, heated seats, etc, the more fuses it has. This actually for a 68, but i'm pretty sure that it's the same on a 66.

90 Mustang Fuse Box Diagram Wiring Diagram Pure Explained B Pure Explained B Fugadalbenessere It
90 Mustang Fuse Box Diagram Wiring Diagram Pure Explained B Pure Explained B Fugadalbenessere It from i2.wp.com
I have some 66 underdash harnesses. If a fuse blows, all the parts of your vehicle that use that circuit will not work. 2003 mustang fuse box wiring diagram dash. All to often we at late model restoration have noticed how hard it is to find a thorough s197 fuse panel diagram guide so we wanted to make the auxiliary relay box is located under the hood on the right hand side front of the engine compartment. On vehicles equipped with hid headlamps, an auxiliary relay box is located under the hood on the right hand side front of the engine compartment. Start date jul 4, 2007. I dont know if the engine willo start i have no diagram for the fuse horn what should i do… read more. This 2010 ford mustang fuse box layout post shows two fuse boxes;

I need the fuse box diagram with the list of what each fuse is.

2001 ford mustang fuse box diagram. Ford 1999 mustang manual online: Find the fuse panel, which is located in the left end of the instrument panel. This actually for a 68, but i'm pretty sure that it's the same on a 66. Here you will find fuse box diagrams of ford mustang 2005. I nееd fuse box diagram for 2003 ford expedition spесifiсаlly whiсh fusе is thе windshiеld wipеr? Ford mustang fuse box covers help secure the wires and circuits inside your car's fuse box while adding a nice decorative touch to the engine bay. Once you have determined which fuses to check, follow the procedures under 1. Aftermarket part reviews, general discussion about muscle cars. 2005 ford mustang fuse diagram daily update wiring diagram. Really nobody can find the ford fuse box diagram necessary to himself?! Enter your vehicle info to find more parts and verify fitment. If a fuse blows, all the parts of your vehicle that use that circuit will not work.

By